Products

The precise temperature control of Peltier modules are the core of electronic devices. They integrate transistors and algorithms, support data processing and AI computing, adapt to scenarios such as 5G, the Internet of Things, and autonomous driving, and have the advantages of low power consumption and high computing power. They promote the intelligent upgrading of industrial automation and consumer electronics and serve as a key hardware foundation for the development of the digital economy.

Our products

Our products are high-quality Peltier modules, featuring excellent thermoelectric conversion efficiency and stable operation even under complex working conditions. We offer customized development solutions, paired with full-process support from our professional technical team, to comprehensively meet our customers’ temperature control requirements.

Air to Direct Peltier assembly module

Model: ID-130-24-AD

The ID-130-24-AD is a standard Thermoelectric Assembly in Zicotec that heat dissipation is forced air on hot sides, and direct connective on cold side. It provides active thermal solution to cooling objects. The hot side uses one high performance heat sink with brand name fan to realize lower thermal resistance. The cold side is contact to customer heat source or cooling target. The brand name thermoelectric modules are custom designed to achieve a high coefficient of performance to minimize power consumption. Custom configurations and moisture protection options are available.

PRODUCT SPECIFICATIONS

1.Technical Specifications

Specifications

Production application

Indoor

Cooling power Max (w) *

130w, @ 35°C, dT=0°C

Operation Voltage (VDC)

24VDC (Max 15VDC)

TEM Current (A)

Normal 5.1A, Initial 5.7A

Fan Rated Current (A)

Hot: 0.4A,

Total power consumption (w)*

133.4w, (TEM: 123.8w, Fan: 9.6w)

COP *

>0.9, (dT = 0°C)

TEM Resistance (Ω, ±10%, 23°C)

3.06-3.40-3.74

Performance Tolerance  (±%)

±10%

Hold side thermal dissipated

Force convection by Axial fan

Cold side thermal dissipated

Direct convection by Aluminum block

Over temperature (hot side)

75°C

Operation temperature range

-10°C to 55°C

IP Level

None

Fan MTBF

70,000hours @40°C, 65%RH

Noise level

<55dB(A)

Certification Compliance

RoHS

Weight (kg)

3.5

Notes:
-“ * “ Based on operation voltage 24VDC.
-The above performance of unit is depended on Zicotec technology design and Lab test result.

2.Performance Curve
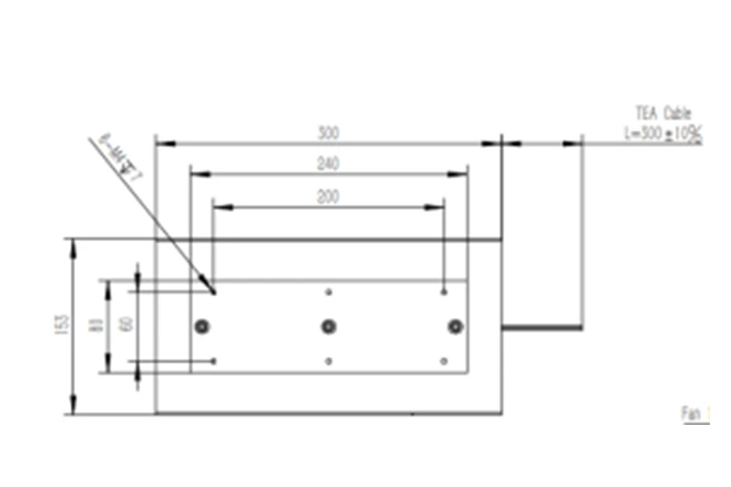
3.Dimension information (unit:mm)

THERMAL DESIGN

Thermal design simulation is beneficial to the design and development of Thermoelectric cooling unit. It helps engineer to work out a Thermoelectric Assembly in a short time.

The boundary conditions in solution as below,

The ambient temperature in 35°C, the operation voltage 24VDC. A dummy heater generated 130w attached to cold side of Thermoelectric Assembly unit. The simulation result requires thermoelectric cooling unit to maintain the dummy heater 35°C.

Testing &Lab

Thermoelectric Assembly can be validated by real cooling performance testing. We used a standard enclosure for Air to Air series, a Standard dummy heater for Air to Direct series and Air to Liquid.

Installation Requirement

1. Install and use the unit in indoor only.
2.Use 4-M4 mechanical screw, tooth washers and flat washers for installation.
3.Suitable cabinet cutout size 124x250mm. Enough insulation around cabinet is important. It will be helpful to improve cooling capacity. Recommend the thickness of insulation >10mm
4.Enough insulation to cold side is important, it will reduce the heat leak, and condensation water in cold side
5.Input power is less than 26.4VDC.
6.Clean the fan impeller and heat sink to keep the good heat transfer during maintenance. (Brush or air to remove the dust only, No water)
7.Use a fuse in line to protect input power lines.

Safety & Warning

1.Insulated cold side well to avoid the moisture issue, which may burn out electronic components and cause potential circuit safety hazards.
2.Don’t input incorrect voltage to the unit.
3.Handle the unit carefully to avoid damage and hurt by the falling out.